常州市世龍化工設備廠 ● 無錫世龍搪玻璃設備有限公司
服務熱線:
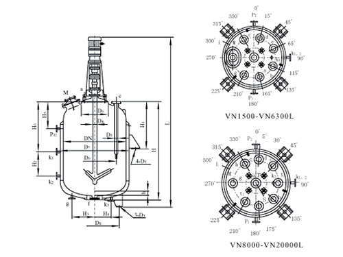
閉式反應釜
開式反應釜
電 話:15850878822
網 址:m.dogean.com
地 址:常州市武進區洛陽鎮朝安村翼溪路40號
聯系人:劉總